電話:021-62522001
作者:黑金鋼電容 發布時間:2020-08-04 11:28:33 訪問量:8764 來源:NCC電容
黑金剛電容螺絲端子型鋁電解電容器 RWU系列
● RWE系列的高容量化。
●保證壽命85℃ 2,000小時。
●最適合于UPS設備和伺服壓力機等重視容量性能的用途。
◆規格表

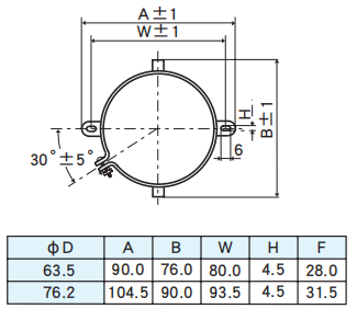
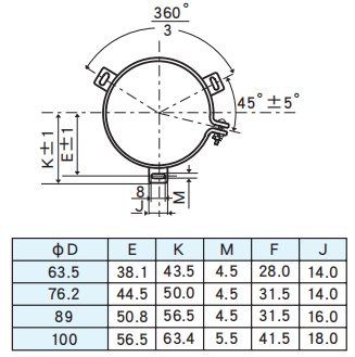
◆尺寸圖 (CE331 形)[mm]
●端子代碼:LG

φ63.5:G=6
φ76.2、φ89:G=5
φ100 :G=10
●綁帶代碼:B

●綁帶代碼:C:標準

<端子螺絲規格>
~φ89 十字六角長螺絲 M5×0.8×10 φ100 十字圓型小螺絲 M8×1.25×16
螺絲擰緊最大容許轉距 3.23N·m 彈簧墊圈 平墊圈
螺絲擰緊最大容許轉距 6.31N·m
(注1) 端子螺絲及安裝綁帶分批交貨為標準規格。
◆產品型號體系

產品型號代碼的詳細介紹請參考「產品型號的表示方法 (螺絲端子型)」。
◆標準品一覽表


◆額定紋波電流頻率修正系數
紋波頻率與標準品一覽表的規定值相異時,請使用小于乘以下表系數所得之值的值。
●頻率修正系數

※ 鋁電解電容器由于在紋波電流疊加時自我發熱、溫度上升而老化,每升溫 5 ~ 10℃壽命減少一半。
要想保持長壽命請在使用過程中降低紋波電流。 此外, 額定電壓的 80% 以上到額定電壓范圍內可通過降低電壓延長壽命。
上海櫻拓貿易有限公司是一家主要從事電子元器件代理銷售和技術支持的專業公司,其中是日本NIPPON CHEMI-CON(NCC電容|黑金剛電容)中國區總代理。
相關資訊推薦:
聲明:本文由櫻拓貿易收集整理關于 黑金剛電容相關的《黑金剛電容螺絲端子型鋁電解電容器 RWU系列》,如轉載請保留鏈接:http://www.health-no1.com/news_in/582。